U
74HC00
74HC00
RENESAS
74HC00 ST SOP
In Stock: 6124 pcs
, un membru prominente di a famiglia di u cmos logica, integra i fagioli in un pacchettu, leverà a tecnulugia di u silicon per abbinà u cunsumu operativu di ls-ttl.Stu mbildimentu di velimentu è l'efficienza, aumentatu da a so capacità di cunduce a tencia carica Ls-TTL è a prutezzione di u profitti elettretu per a prutezzione di u tinutu elettritu in u cuncepimentu circuitu.Pudete apprezzà i so sfondate e so autobus immunità rinfurzati cù parechji equivalenti industriali-il correnti, facendu un cornerstone in creatori innovatori è robustigali.
Catalogu
U 74hc00, incorpore quattru cancelli di nandate, hè nutatu per u so allinjamentu cù a famiglia LS-Ttl.
Implimentazione tecnulugia di Silicon-Gate, a realizazione operativa simili à ls-ttl mentre mantene un focus nantu à u cunsumu à pocu putere.Questu equilibriu vi permette di arnesi tramindui a velocità è l'efficienza, cultivate i disegni chì risonanu cun ingenuità.A porta di a battezza buzzò innamurata, un fornitore, un fattore chì cuntribuisce à un rendimentu stabile ancu in ambienti di signale sfida.
A so capacità di guidà finu à dece carichi LS-Ttl face adattatu per i sistemi induve i numerosi usati di signale sò desiderati.
Equipatu di l'appiccicazione di u diodianu internu, minimizza i risichi assuciati à u scaricamentu elettrostaticu.Questa funzione enfasi u so rolu in a longevità cumpunente di u cumpunente, sottumessu à a saviezza in a ricerca di l'affidabilità à longu andà.
Rimpiazzamenti è equivalenti:
•
CD4011
CD4011
I-CORE
701
In Stock: 25220 pcs
• Mc54HC00AJD
• M74hc00m1
• Sn54LS00
• SN74HCT00DTE4
• 74ht132D
• 74hcct00

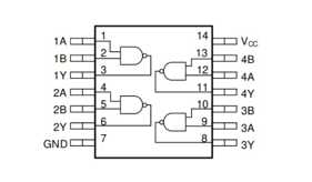
• Pins 1, 2, 4, 5, 9, 10, 12: dati inputs
Sti pin sò artighjanati per riceve signalazioni di input chì guidanu l'operazioni di logica di i parenti di a nanda in u chip.Assicurendu chì sti inputs sò liberi da l'interferenza di l'interferenza affundate u cumpurtamentu di circuitu appruttatu, riflettendu per u cuntrollu è a prevedecabilità.
• PIN 3, 6, 8, 11: Outputs di dati
Agiscendu cum'è i fora, questi PIN trasmettenu i risultati di e cumpessione di a catena di i nani.Puderanu esse impiegati in diversi custruiti logichi diversi, tissutu inseme mudelli logichi cumplessi.Quandu parechji circuiti sò cunnessi à una sola pruduzzione, l'effetti di carica potenziale in u bilanciu dilicatu necessariu in relazioni intricate.
• PIN 7: Terra (GND)
Stu PIN cunnetta à u terrenu di u sistema per furnisce un puntu di riferimentu stabile per i voltages.Stabilisce una tale cunnessione stabile alinea cù a ricerca naturale di terra è di chiarità, minimizendu disturbà.
• PIN 14: Fornimentu di u putere pusitivu (VCC)
Alimentà a tensione curretta per stu pin sustene u spettaculu di u dispusitivu.Mentre u mantenimentu in u intervallu specificatu, efficienza di e capacità, pusendu i capacors decibocante vicinu à i centrettori si ponu una putatingamente sustenza l'Operazione, inturzazione per gestisce e complexità di a vita.
U
74HC00
74HC00
RENESAS
74HC00 ST SOP
In Stock: 6124 pcs
hè cuncipitu cù quattru porti indipendenti chì fucalizza nantu à l'efficienza di u putere, attrae u so rendimentu affidabile in i circuiti digitale.A so impressione immunità cuntribute à applicazioni stabili, chì parechji anu da apre per prughjetti di a consistenza di priorità.Disponibile in formati di dip è soic, scontra i bisogni di u disignu Diversi è offre e opzioni di Layout Flexible PCB.
L'adattabilità di u 74hc00 permette di mette in una larga gamma di cunfigurazioni di gate logica è sistemi intricati.Pudete valore a so capacità di guida di robust / di ripresa, truvannu u utile per e funzioni di l'artistru cumplessu.
A so capacità di operare in e cundizioni di variità rende u 74hc00 populari in l'educazione è u sviluppu di u prototipu.A facilità cù quale si adatta a cumplessità di circuttà aumentata ti ispira di esplurà l'innovazioni novi senza un rendimentu sacrificatu.
Panoramica di u fabricatore
I strumenti di u Texas hà guadagnatu una reputazione per a so dedicazione per creà prudutti semiconduttori affidabili è di terrabreaking.Cù i so fucali in una una una scubattimentu è performance, u prumuzione di u texas si trova allughjunghjetti in u core di e persone efficace in l'industria elettronica.
Dimensioni fisiche
Misura 8,65mm x 3.91mm x 1.58MM, u
74HC00
74HC00
RENESAS
74HC00 ST SOP
In Stock: 6124 pcs
vantà un disignu sleek per l'ambienti compact.Queste dimensioni simplificanu l'integrazione in i layout di un circuitu varianu, chì permettenu di fà u spaziu più limitatu senza cumprumessi a capacità rimarche di u dispusitivu.
Caratteristiche elettrici
L'alghjanu di tentificazione i spazii spansi da 2v à 6v, l'offerta adattabilità in l'appieccia di potenti è assicurendu cumpatibilità cù un sbuchjellu di circuiti di digitale.Questa ramma di tensione supporta e applicazioni versatili, chì permettenu micca a 74HC00 per addivettà adeptly à cambià e dumande in ambienti dinamiche.
Temperatura è cundizioni ambientali
U funziunamentu in modu efficace trà -40 ° C è u 85 ° C, u dispusitivu hè pensatu à pruteghja in palazzi di diverse è cundizioni industriali.A so resistenza contr'à l'estremis di temperatura facenu una scelta preferita per l'elettronica di u cunsumadore è l'appiecalità industriali, induve a variabilità ambientale hè un determinata.
Metrics di Rendimentu
Offre un ritardu di u Propaghjolu, i 74hc00 eccessivi in l'eccisione di trasfurmazioni necessarii per e funzioni logichi di alta veloce.Questa performance Swift hè vantaghjale per l'applicazioni cum'è l'applicazioni di u signale è sistemi di cumunicazione, induve u scambiu di dati rapidu hè una necessità.
Cumpusizione Strutturale
U dispusitivu include 4 porte, per operazioni di logica di nand-logica, furnisce funziunalità sustanziale per i disinni di logica intricate.Questa cunfigurazione prova vantaggio induve operazioni logiche sò necessarie per esse esecutivate efficacementamente, assicurendu a scupersione è affidabile.
Classificazione
Funziona cum'è porta logica, u 74hc00 serve cum'è un cumpunente primariu in a creazione di cita digitale.Pudete aduprà questi elementi per custruisce sistemi digitali cumplose, cusì avanzava putenza computazione è a putenza di trasfurmazioni di avanzà in modi innuvative.
U
74HC00
74HC00
RENESAS
74HC00 ST SOP
In Stock: 6124 pcs
integra quattru porte di nand separati, ognunu cù dui inputs guidendu à un solu risultatu.L'operazione dipende da una tavola di verità detallata.Specificamente, u bastone di a pruduzzione à bassa solu se i dui inputs sò alti.Altrimenti, l'output ferma un elementu primariu in u disignu logicu digitale, agisce cum'è un cumpunente core in crafting più circuiti.
Feedback pusitiva influenza sottolinea a stabilità attraversu questi porti.Cum'è ogni porta processa a so inputs, u feedback serve à rinfurzà un statu di output di stabile, fessering prestazione coherente.Stu equilibriu hè righjuntu da armonizà e reazzioni di a porta cù i valori di input.Pudete tappà in questu aspettu per falsificà i cifruiti dumandendu i stati logichi affidati, scopre una strata di predicabilità assicurata.
A capa di i sottotitivi di a dinamica input-output in i porti di nanda chì guadagnanu u potenziale per i disegni di circuitu simplificati.L'applicazioni cumuni includenu custruisce flip-flops è funzioni di logiche di esecutu cum'è e, o micca micca operazioni.Questa versatilità enfasi à a so adopzione in un spettru di cuntesti, da i miccanismi di cuntrollu direttu à i quadri cumportamenti sofisticati.
Riflettinu nantu à l'utilità più larga di u 74HC00, a so prevendimentu di prestazione scopre a rilevanza in Campi Spranse L'elettronica di u cunsumu à l'industriale.U putere di organizà sti porti in diverse luci di fine pincini sustanciali libertà sustanziale, incuraghjamentu innuI principii principali di porte di nandanu inspianu soluzioni misura per l'ostanzi tecnulichi d'unichi.
U
74HC00
74HC00
RENESAS
74HC00 ST SOP
In Stock: 6124 pcs
hè un quadru di quandomple di dui input input cuncepitu cù una precisione exquisite.Incarna una mischjata armunosa di a praticità è a sofisticazione tecnologica.
Caratteristiche
• opera nantu à una larga vasta di tensione
• Visualizeghja u ritardu di propagazione rapida
• adattatu per operazioni di alta velocità è bassa
Caratteristiche elettrici
• VolTazione è attuale: Questa funzione cumpunente sopra un larghezza di livellu di tensione, accoglie una diversità di i bisogni di cuncepimentu.
• Gastersazione temperatura: esedimenti affumiabilmente à traventu par difetti temperatura, chì permette à adattabilità à e cundizioni ambienti differenti.
APPLICAZIONI
• Usi Generale: un cumpunente versatile, truvate un locu in i circuiti di u cigritali di MyRaad Digitali, folizioni necessita di vari da una tavola di ogni ghjornu à l'applicazioni cumplessi cun grazia.
• Implezioni specifichi: per l'elettronica di u cunsumadru di i meccanismi industriali, u 74HC00 INTERNAGNATIMAME, manifestabile a so utilità in ogni applicazione.
U Chipco00 di
74HC00
74HC00
RENESAS
74HC00 ST SOP
In Stock: 6124 pcs
mostra adoppabilità notevarable, apparisce spessu in cunversi continti elettronichi grazie à a so larga spettru di funziurità.
Buffering è guida
U 74hc00 funziona adeptamente cum'è un buffer o un driver, fostering conibiversabilità senza sancione attraversu i circuiti.Minimializendu gocce di tentage è bricchendu digradazione di signali, si stalla cumunicazione consistente trà i cumpunenti.In mani elettronica, impiegà u 74hc00 cum'è un buffer pò bolterà una capacità di un microcontroller per attivà multiple LED o di una Feature Freads, una Funzione Freetes
Operazioni di logica
Questa chiva riesami registrazioni logichi, cum'è e porte nanda, furmendu di u core d'artisse intaragni.U so integramentu senza sforzu in diversi circuiti logichi enfasi a so usabilità.In cuncepimentu digitale, leveraging gates mornsate di custruisce circuiti logichi sofisticati cù menu cumpunenti, rinfurzendu sia a tentabilità è a compattazione.
Integrazione di i sistemi incrustati
À i sistemi incrustati, e 74HC00 Streamlines esecuzione compite compite compite per e funzioni logiche incrededding in iniziativi di Microcontroller.
I numerosi dispositi iot impieganu stu chip per eseguisce cuntrolli cundiziunali è gestione i dispusitivi periferichi, impannillà a reattività di u sistema è a dependabilità.
Cunversione di livellu
U 74HC00 serve un rolu efficace in cunversione di livellu, aghjustendu livelli di signale trà un circuitu diversu.Questa facilità interfaccia liscia di cumpunenti cù valutazioni di tensione variata.In situazioni mistatici mista, cum'è lucendu un microcontroccu di 5 per à un sensore indispiu, u 74 ore, u dividendu senza cubbia tuttu u dividente di dati di dati precissu.
Timing è Cuntroliu Circuits
U chip presenta ancu in u circuiti di cuntrollu è u cuntrollu di a cuchja meticulosia di e funzioni di logicu sequenziale, appiicenta applicazioni cum'è a generazione di polse.Rifilendu i circuiti di timing cù a precisione di i 74hc00 in precisione cum'è i travaglii cum'è i sistemi di cumunicazione sincronifiche, salvaticamentu di a gestione di u tempu metruosu.
Comparatore digitale per u paragone binariu
E 74HC00 funzionanu cum'è comparatore digitale per l'COMPARISI BARNI, IDEAL per decisione in quadri digitali.Discerne l'ugualità o a variazione trà e figure binarie.Impiegà u 74hc00 per a paragone binaria furnisce una strada efficiente per implementà e decisioni di rame in u protokoles digitale variati, rinforzendu u rendimentu di u sistema in attività.
74hc00 datasheet:
74hc00 dettagli PDF74HC00 Details PDF per fr.pdf74hc00 dettagli PDF per Kr.pdf74hc00 dettagli PDF per It.pdf74hc00 dettagli PDF per ESPDF
1. Chì hè a funziunalità di u 74hc00?
U 74HC00 incorpora quattru porti di nand-input di 2 input inutili, operare in un intervallu di potenza di 2,0v à 6,0v.Servite sistemi di logici digitale, per permette a furmazione di operazioni logiche, chì formanu u backbone di l'architettura intricate.
2. Quanti cancelli di nanda face u 74LS00?
U 74LS00 comprende un inseme di quattru porte di nanda, ognunu cuncipitu cù dui inputs è un output singulare.Questa cunfigurazione hè una scelta cumuna quandu sviluppà unità in l'elettroni digitale.
3. Chì distingue u 74hc00 da u 74LS00?
Una differenza principale hè a so adattabilità di tensione.U 74HC00 travaglia in una gamma 2V à 6V, mentre chì u 74LS00 hè custrettu à un fornimentu di u putere 5V.A selezzione dipende spessu di e variazioni di l'applicazione bisogni è fatturi ambientali.
4. Pudete qualificà a serie 74hc?
A Serie 74HC chì presenta i cmos cmos integrata di cmos, offre velocità cumpatibile di ttl cù u cunsumu di energia ridutta.A so cumpatibilità cù a layout di PIN di 74LS permette di l'integrazione faciule è u rimpiazzamentu in i circuiti esistenti.
5. Chì sò l'applicazioni di u 74hc00?
In i circuiti digitale, u 74hc00 hè strumentale induve i gattivi di u nand logicu sò obligatori per l'inversione di u segnu è l'esecutà azioni logica cumplessa.A so adattabilità face un preziosu assi in cuntesti educativi è imprestioni elettronichi.
Condividi stu post